1
/
van
1
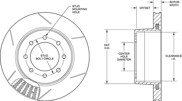
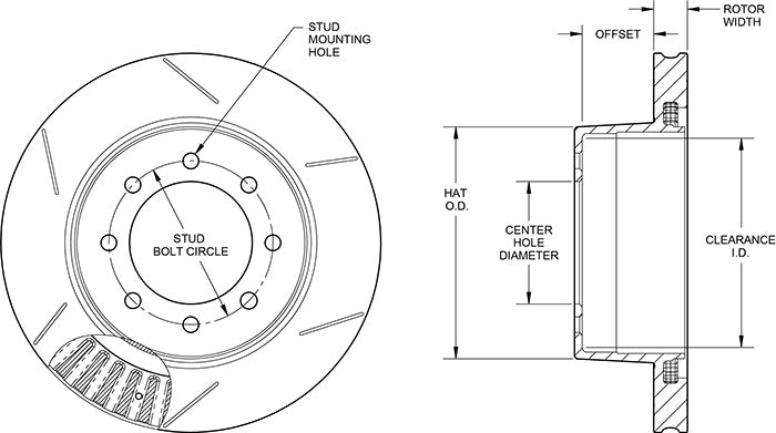
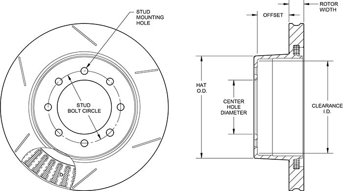
160-14563-GTB - Wilwood GT Rotor & Hat - 394x35mm Bi-Slotted Left/Right
160-14563-GTB - Wilwood GT Rotor & Hat - 394x35mm Bi-Slotted Left/Right
Normale prijs
€501,80 EUR
Normale prijs
Aanbiedingsprijs
€501,80 EUR
Eenheidsprijs
/
per
Inclusief btw.
ETA: 3-5 werkdagen
Wilwood GT with their typical curved rotors, capable to withstand extreme heat generated in professional motorsports. These Wilwood GT disc are made from a premium, carbon-iron mixture to ensure a long rotor and pad life.
Share
