1
/
van
1
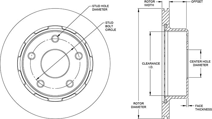
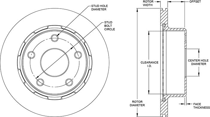
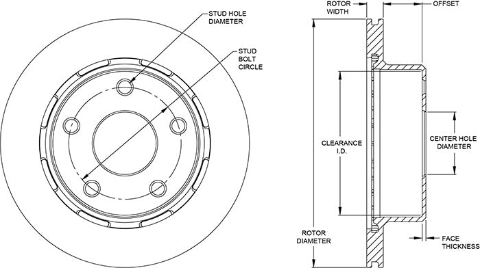
160-13327 - Wilwood Ultralite Rotor & Hat - 309x20mm Plain Left/Right
160-13327 - Wilwood Ultralite Rotor & Hat - 309x20mm Plain Left/Right
Normale prijs
€389,56 EUR
Normale prijs
Aanbiedingsprijs
€389,56 EUR
Eenheidsprijs
/
per
Inclusief btw.
ETA: 3-5 werkdagen
Ultra-Light rotors provide efficient cooling, high performance and lower rotating mass. Made from a premium grade long grain carbon iron providing high thermal stability and a long life span.
Share
